广东-凤楼论坛_楼凤宫论坛(品茶)_小海棠全国论坛最新信息_凤江湖论坛入口

浙轮电力主营APF有源电力滤波装置、电容器系列、电抗器系列、智能复合开关和无功补偿控制器等产品。
ZLDL-电抗器系列
ZLDL-DV/DT滤波电抗器
所属分类:ZLDL-电抗器系列

 应用电路:
异步电机变频传动,变频器输出侧,抑制开关频率纹波电流所衍生的高次谐波电流,降低长电缆行波反射dv/dt瞬变电压,从而降低电机涡流损耗及噪音,?;さ缁怠V饕τ糜诘缭吹缪构摺⒗系缁脑?、非变频电机绝缘强度较低、频繁制动、较长电缆传输场合。


性能特点


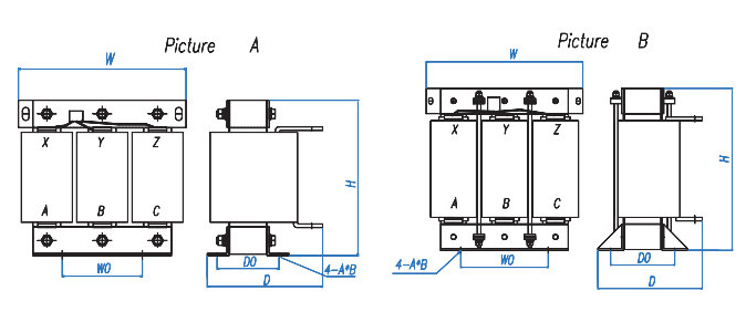
尺寸及技术参数:


dv/dt滤波器技术参数:


 备注:
产品标示A、B、C为滤波器三相输入端,X、Y、Z为滤波器三相输出端。



主站蜘蛛池模板: 法库县| 青海省| 江山市| 德阳市| 保定市| 平乡县| 西城区| 嘉祥县| 那曲县| 铁力市| 康平县| 巨鹿县| 岱山县| 灌南县| 铁岭县| 都兰县| 定日县| 辉县市| 新乐市| 甘孜县| 清水河县| 甘谷县| 康平县| 莱西市| 吴川市| 罗江县| 高唐县| 桃园市| 康马县| 岳池县| 武穴市| 萝北县| 建德市| 普宁市| 右玉县| 晋宁县| 阿克陶县| 和林格尔县| 浦江县| 罗源县| 罗甸县|